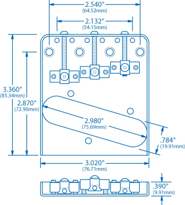
Wilkinson Adjustable Compensated Bridge for Tele
At last, a 3-saddle bridge that can be adjusted to play in tune! A locking pivot screw in the center of each saddle allows perfect adjustment of string intonation.
This traditional chrome stamped-steel bridge fits a standard Tele® pickup, and is designed for string mounting through the guitar body (use our Guitar String Ferrules). The unplated brass saddles have Allen-adjustable height and 2-5/32″ (54.77mm) string spread. Mounting screws are included. Chrome.
Find bridge placement for any scale with our free online tool fret position calculator.
-
- Item #
- Weight
-
- 5071
- 0.2294 lbs. (0.10 kg)
















Reviews
There are no reviews yet.