Nashville Tune-o-matic Studs and Bushings
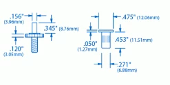
Studs and bushings for the Nashville Tune-o-matic. M5 x .8 post thread.
Set of 2 studs and bushings.
Use a 1/4″ drill bit to install the bushings.
-
- Item #
- Weight
-
- 4503
- 0.0380 lbs. (0.02 kg)
-
- 4503-G
- 0.0385 lbs. (0.02 kg)
-
- 4503-N
- 0.0380 lbs. (0.02 kg)



















Reviews
There are no reviews yet.