Gotoh Tune-o-matic Bridge with Standard Posts
A popular modern version of the Tune-o-matic for solidbody guitar. Saddles are pre-notched with individual saddle intonation screws retained by mini hex nuts.
New bridge with vintage appeal: distressed look of the Relic Nickel plating is perfect for repairing old guitars, when shiny new hardware just won’t do.
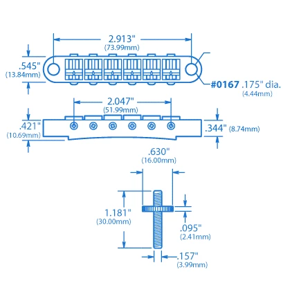
- String spread
2-1/16″
(51.99mm) - Saddle radius
12″
(304.80mm) - Post spacing
2-29/32″
(73.99mm) - Post threads
M4 x .7
String spread is the distance between the centers of the outer strings on a bridge or tailpiece.
Saddle radius determines the arc formed by all the individual saddle heights, and is similar to the measurement of a fretboard.
Stud/post spacing is the distance between the centers of the mounting posts of a bridge or ‘stop’ tailpiece.
Find bridge placement for any scale with our free online tool fret position calculator.
-
- Item #
- Weight
-
- 0167
- 0.1530 lbs. (0.07 kg)
-
- 0167-G
- 0.1535 lbs. (0.07 kg)
-
- 0167-N
- 0.1554 lbs. (0.07 kg)
-
- 0167-RN
- 0.140 lbs. (0.06 kg)





















Reviews
There are no reviews yet.