Gotoh Stop Tailpiece
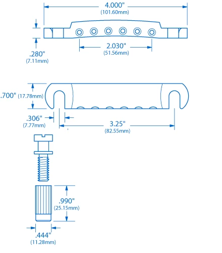
The familiar zinc die-cast bar tailpiece for solidbody guitars, with height-adjustable metric (M8 x 1.25) or U.S. (5/16-24) threaded mounting studs and knurled bushings.
The mounting studs are spaced 3-1/4″ (82.55mm) center-to-center. Position the studs 1-1/2″ (38.10mm) behind the center of the bass side bridge mounting post. Use an 11mm drill bit to install the bushings. The strings can be installed from the front or rear.
Also available in vintage-style aluminum.
-
- Item #
- Weight
-
- 0168
- 0.2840 lbs. (0.13 kg)
-
- 0168-G
- 0.2825 lbs. (0.13 kg)
-
- 0168-N
- 0.2840 lbs. (0.13 kg)
-
- 0168-RN
- 0.284 lbs. (0.13 kg)
-
- 5850
- 0.2852 lbs. (0.13 kg)
-
- 5850-G
- 0.3000 lbs. (0.14 kg)
-
- 5850-N
- 0.3000 lbs. (0.14 kg)
-
- 5850-RN
- 0.300 lbs. (0.14 kg)



















Reviews
There are no reviews yet.